汐止區明峰街公寓五樓增建19坪近家樂福金龍市場一高
首頁
│
法拍屋導覽
│
法拍地導覽
│
房仲導覽
│
House-Info房屋網
│
889house.info
│
申請房仲網站
07-7963288
客服電話
首頁
台北
新北
基隆
桃園
新竹
苗栗
台中
彰化
南投
雲林
嘉義
台南
高雄
屏東
台東
宜蘭
花蓮
澎湖
金門
現在位置:
首頁
›
新北法拍屋
›
汐止法拍屋
›
汐止區明峰街公寓五樓增建19坪近家樂福金龍市場一高-新北市汐止區明峰街145號5樓
售
汐止區明峰街|公寓五樓|增建19坪|近家樂福、金龍市場、一高
列印
售1230萬
案號:
113勇62295 115/01/08(四)14:30
類型:
法拍公寓
總登記坪數:
29.42坪
每坪單價:
41.81萬/坪
地址:
新北市汐止區明峰街145號5樓
小顏
(煩請告知聯絡人,您是在House-Info房屋網看到廣告,感恩幫忙)
0911-965-339
汐止區明峰街公寓五樓增建19坪近家樂福金龍市場一高
公司名稱:
鑫創資產管理有限公司
公司地址:
新北市新莊區中環路二段423號一樓
個人網站:
www.1314home.tw
留言
檢舉
物件介紹
詳細資料
最後更新
:
2天前
銷售狀態
:
待標中
屋齡
:
45年
車位
:
沒有車位
無障礙環境
:
沒有
所在樓層
:
5樓/共5樓
管委會
:
沒有
中庭
:
沒有
電梯
:
沒有
邊間
:
不是
法拍件
:
本件是法拍屋
拍次
:
第1拍 部分點交
開標日期
:
2026/01/08(四)14:30
法拍件
:
周邊環境
鄰近地標
:
近家樂福、金龍市場、金龍國小、一高、二高、
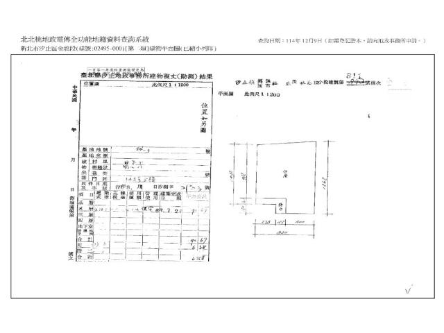
坪數說明
建物登記總坪數
:
29.42
主建物坪數
:
27.43
附屬建物坪數
:
1.99
增建坪數
:
19.44
土地登記總坪數
:
8.16
特色描述
【法院筆錄內容】
1‧建物拍定後點交。土地拍賣不動產應有部分,查無債務人現實占有部分,拍定後不點交。
2‧113年6月11日假扣押查封時,債務人出租予第三人林小姐。114年10月8日新北市政府警察局汐止分局函覆,該址現無人居住。114年3月18日測量增建即暫編10836建號建物時,無人居住,客廳、陽台及廚房有遺留雜物、垃圾於屋內,天花板有滲水痕跡,屋內有二房間,房間內無雜物,與2495建號內部無相通,且有獨立出入口。惟現在實際情形如何,仍請應買人自行查明注意。
3‧暫編10836建號建物為未辦保存登記,拍定人不得持權利移轉證書辦理保存登記。且本件拍賣以建物現況拍賣,當事人及拍定人均不得以面積不符,請求增減價金。《清償債務》【保證金】
246萬
【拍賣履歴】
一拍2026/01/08底標價格1230萬
二拍底標價格984萬
三拍底標價格787.2萬
四拍底標價格629.8萬
【焦點法拍履歴】
👩🏻⚖️從業二十年以上經驗|競競業業|正派經營
🎯投標準備⇥法拍流程說明|標單填寫|案件現場勘查有無特殊情事|成本評估分析
💰銀行貸款⇥法拍物件估價|投標人財力評估|銀行代墊款協助辦理|最高八成
🏡拍定得標⇥強制執行書狀、履勘陳報書狀往返|債務人搬遷協商|遺留物造冊查估
🎁委託代標⇥免費|委託代標未得標⇥免費
🏢鑫創資產管理有限公司
顏麗杏0911-965339營業員證號:(101)登字第212862號
連真甄0909-031993營業員證號:(101)登字第192002號
更多物件☞焦點法拍
經紀人李彥槿:109北市經證字第02110號
物件照片
汐止公寓拍賣-0
汐止公寓拍賣-1
汐止公寓拍賣-2
汐止公寓拍賣-3
汐止公寓拍賣-4
汐止公寓拍賣-5
汐止公寓拍賣-6
汐止公寓拍賣-7
物件地圖
汐止區明峰街公寓五樓增建19坪近家樂福金龍市場一高
汐止區明峰街公寓五樓增建19坪近家樂福金龍市場一高
到Google查看地圖
到Google查看街景
贊助商廣告
物件留言
請注意,如果您詢問的內容與物件不相符合或是廣告,經過審核,系統將會直接刪除您的發問內容
檢舉不實
黃金曝光
泰山
售749萬
新北泰山明志路一段466巷21號3樓公寓,法拍屋代標 專線0913-303663 +LINE
類型:公寓_泰山高中生活圈
坪數:31.42坪
格局:3房
蘆洲
售1342萬
新北蘆洲長安街131巷7-1號4樓公寓,法拍屋代標 專線0913-303663 +LINE
類型:公寓_蘆洲黃昏市場
坪數:39.66坪
格局:3房
蘆洲
售1342萬
新北蘆洲長安街131巷7-1號4樓<5>
類型:公寓_電梯公寓
坪數:39.66坪
板橋
售660萬6000元
新北板橋大觀路二段3巷55號3樓公寓,法拍屋代標 專線0913-303663 +LINE
類型:公寓_台北紙廠生活圈
坪數:22.49坪
格局:3房
房仲推薦
本網站保留一切權利,非經正式書面同意,禁止轉貼節錄。
資料處理中,請稍後...
請注意:此案件已下架