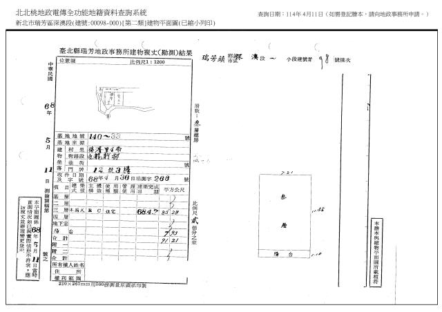
新北市瑞芳區永龍新邨12號3樓

104法拍屋,新北法拍屋,台北法拍屋
透明房訊,台北104法拍,台北法拍屋
法拍屋,法拍屋代標,法拍屋出售
新北市瑞芳區永龍新邨12號3樓
列印
  • 售340萬
    售289萬
    1. 案號:第二拍115/3/31(二)
    2. 類型:法拍公寓
    3. 總登記坪數:27.59坪
    4. 每坪單價:10.47萬/坪
    5. 地址:新北市瑞芳區永龍新邨12號3樓
    1. (煩請告知聯絡人,您是在House-Info房屋網看到廣告,感恩幫忙)
    2. 0986-678-928
    1. 市話:
    2. 公司名稱:
    3. 公司地址:
    4. 個人網站:
    新北市瑞芳區永龍新邨12號3樓-QR CODE 留言 檢舉 加LINE好友
物件介紹
詳細資料
最後更新
7小時內
銷售狀態
待標中
屋齡
47年
電梯
沒有
是否凶宅
不是
法拍件
本件是法拍屋
拍次
2
開標日期
第二拍115/3/31(二)
法拍件
坪數說明
建物登記總坪數
27.59
主建物坪數
25.19
附屬建物坪數
2.4
土地登記總坪數
11.80
特色描述
新北市瑞芳區法拍屋|永龍新邨法拍|瑞芳低總價



新北市瑞芳區法拍屋|永龍新邨12號3樓



房屋類型:法拍公寓



所在樓層:3樓/總樓層3樓



屋齡:約47年



格局:依現況



總登記坪數:27.59坪



主建物坪數:25.19坪



附屬建物坪數:2.40坪



土地持分:約11.80坪



建物結構:鋼筋混凝土造



用途:住家用



地址:新北市瑞芳區永龍新邨12號3樓



━━━━━━━━━━━━━━



【拍賣資訊】



第二拍底價:289萬



保證金:約57.8萬



每坪約10.5萬



拍賣日期:2026/03/31



━━━━━━━━━━━━━━



【物件特色】



瑞芳低總價住宅



山城住宅環境清幽



室內空間約25坪



總價300萬內入手門檻低



自住或出租投資皆可



━━━━━━━━━━━━━━



【土地資訊】



土地地號:深澳段140-33地號



土地持分:約39㎡



土地使用分區:山坡地保育區

丙種建築用地



━━━━━━━━━━━━━━



【法院筆錄重點】



建物偶爾由債務人母親居住



現場仍有水電



室內油漆嚴重剝落



木質隔間腐壞



部分牆壁龜裂



水泥塊剝落



屋內留有老舊家具



拍定後依現況點交



━━━━━━━━━━━━━━



【安全調查】



查詢相關機關紀錄



無火災紀錄



無海砂屋紀錄



無輻射屋紀錄



無地震受創紀錄



━━━━━━━━━━━━━━



【拍賣紀錄】



第一拍:340萬(流標)



第二拍:289萬



━━━━━━━━━━━━━━



本案為法院公開標售之法拍物件,物件現況、產權登記、點交條件及拍賣時程等,均以法院正式拍賣公告為準;如遇停拍、撤回、拍定或公告變更,本資訊即自動失效。



法拍貸款分為代墊尾款與一般房貸兩類,與104法拍網長期配合銀行亦可承作點交案件。



━━━━━━━━━━━━━━



【投標諮詢|雙人代標】



林小姐Anna|0986-678-928



黃先生Pitt|0984-508-898



LINE官方名片

https://line.me/ti/p/MJcPvp3nG8



104法拍網法拍服務團隊



雙人代拍|全台專業代標|銀行貸款評估



代標找林小姐,安心又會標~Anna幫你買到家!

物件照片
瑞芳公寓法拍-0
瑞芳公寓法拍-0
瑞芳公寓法拍-1
瑞芳公寓法拍-1
贊助商廣告
桃園廠房,桃園廠房出租,桃園廠房出售
新北法拍屋,新北市法拍屋,新北法院法拍屋
物件留言
請注意,如果您詢問的內容與物件不相符合或是廣告,經過審核,系統將會直接刪除您的發問內容
等待圖示
檢舉不實
等待圖示
黃金曝光
本網站保留一切權利,非經正式書面同意,禁止轉貼節錄。