新北市汐止區明峰街145號5樓

法拍屋,法拍屋代標,法拍屋出售
汐止區明峰街145號5樓|增建19坪
列印
  • 售1230萬
    售984萬
    1. 案號:115/01/08 一拍 流標
    2. 類型:法拍公寓
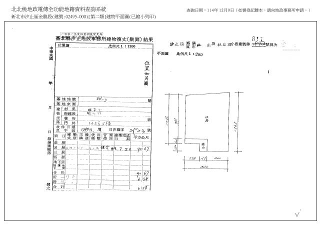
    3. 總登記坪數:29.42坪
    4. 每坪單價:33.45萬/坪
    5. 地址:新北市汐止區明峰街145號5樓
    1. (煩請告知聯絡人,您是在House-Info房屋網看到廣告,感恩幫忙)
    2. 0986-678-928
    1. 市話:
    2. 公司名稱:
    3. 公司地址:
    4. 個人網站:
    新北市汐止區明峰街145號5樓-QR CODE 留言 檢舉 加LINE好友
物件介紹
詳細資料
最後更新
18小時內
銷售狀態
待標中
社區/大樓
金龍社區
屋齡
45年
所在樓層
5/5
電梯
未知
法拍件
本件是法拍屋
拍次
1流標
開標日期
1拍流標,2拍預估984萬
法拍件
坪數說明
建物登記總坪數
29.42
主建物坪數
27.43
增建坪數
19.44
土地登記總坪數
8.16
特色描述

新北汐止法拍公寓|明峰街|5樓頂加19坪|明峰街145號



━━━━━━━━━━━━━━

【基本資料】



地址:新北市汐止區明峰街145號5樓

房屋類型:公寓

主要用途:住家用

建物結構:RC鋼筋混凝土

屋齡:約45年

銷售狀態:流標(可關注二拍)



━━━━━━━━━━━━━━

【拍賣資訊】



拍次:第一拍(已流標)

第一拍底價:1,230萬

第二拍預估:984萬

第三拍預估:787.2萬



━━━━━━━━━━━━━━

【坪數與配置】



權狀坪數:29.42坪

增建坪數:約19.44坪

實際使用坪數:約48.86坪



樓層:5/5樓

土地登記坪數:8.16坪

車位:無



━━━━━━━━━━━━━━

【價格重點】



權狀單價:約41.8萬/坪

實際使用坪數換算單價明顯低於區域行情

二拍後價格更具吸引力



━━━━━━━━━━━━━━

【物件特色】



・頂樓公寓+增建約19坪,使用空間接近50坪

・增建有獨立出入口,與原建物不相通

・格局為二房配置,空間彈性高

・目前現況無人居住,便於規劃整理

・位於成熟生活圈,機能穩定

・價格已流標,後續拍次具修正空間



━━━━━━━━━━━━━━

【生活機能與交通】



・明峰街生活圈,周邊商店、超商齊全

・近汐止市區,日常採買便利

・銜接主要幹道,通勤往返台北市區方便



━━━━━━━━━━━━━━

【法院筆錄摘要】



・建物拍定後點交

・土地為應有部分,拍定後不點交

・增建為未保存登記建物,屬現況拍賣

・屋內曾有出租紀錄,目前查封及測量時為空屋

・天花板有滲水痕跡,需自行評估整修

・拍定後不得主張面積不符或瑕疵擔保



━━━━━━━━━━━━━━

【適合族群】



・首購族、想用低總價換大使用空間者

・汐止在地自住需求

・可接受頂加與整修規劃的買方



━━━━━━━━━━━━━━

【雙人制專業代標服務】



代標找林小姐Anna

0986-678-928(同LINE)



代標找黃先生Pitt

0984-508-898(同LINE)



會看就敢買,敢買就買對

雙人制代標服務

安心又會標~Anna幫你買到家!

物件照片
新北汐止公寓法拍-0
新北汐止公寓法拍-0
新北汐止公寓法拍-1
新北汐止公寓法拍-1
贊助商廣告
物件留言
請注意,如果您詢問的內容與物件不相符合或是廣告,經過審核,系統將會直接刪除您的發問內容
等待圖示
檢舉不實
等待圖示
黃金曝光
本網站保留一切權利,非經正式書面同意,禁止轉貼節錄。