新北市樹林區東華街64號3樓

104法拍屋,新北法拍屋,台北法拍屋
透明房訊,台北104法拍,台北法拍屋
法拍屋,法拍屋代標,法拍屋出售
新北市樹林區東華街64號3樓
列印
  • 售885萬
    1. 案號:115/04/28,第一拍,點交
    2. 類型:法拍公寓
    3. 總登記坪數:20.54坪
    4. 每坪單價:43.09萬/坪
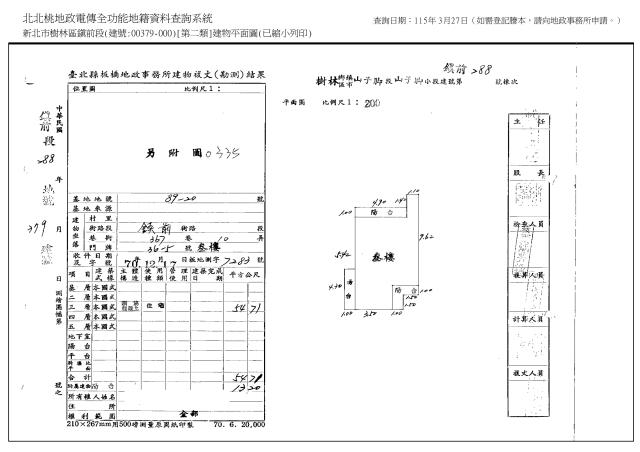
    5. 地址:新北市樹林區東華街64號3樓
    1. (煩請告知聯絡人,您是在House-Info房屋網看到廣告,感恩幫忙)
    2. 0986-678-928
    1. 市話:
    2. 公司名稱:
    3. 公司地址:
    4. 個人網站:
    新北市樹林區東華街64號3樓-QR CODE 留言 檢舉 加LINE好友
物件介紹
詳細資料
最後更新
5小時內
銷售狀態
待標中
屋齡
45年
所在樓層
3/5
電梯
沒有
是否凶宅
不是
法拍件
本件是法拍屋
拍次
1
開標日期
4/28
法拍件
坪數說明
建物登記總坪數
20.54
主建物坪數
16.55
附屬建物坪數
3.99
土地登記總坪數
9.2
特色描述

新北市樹林區法拍屋|樹林公寓法拍|東華街法拍|樹林低總價住宅

━━━━━━━━━━━━━━

樹林法拍屋

東華街法拍

樹林公寓法拍

新北市樹林區東華街64號3樓

━━━━━━━━━━━━━━



【案名】

樹林法拍公寓|東華街64號3樓



【拍賣資訊】

案號:114松181684

拍次:第一拍

開標日期:115/04/28(二)14:30

拍賣底價:885萬

保證金:約177萬

執行狀態:待標中

點交情形:點交



━━━━━━━━━━━━━━



【物件基本資料】

房屋類型:公寓

建物結構:鋼筋混凝土造

主要用途:住家用

建物所在樓層:3樓/總樓層5樓

屋齡:約45年

房屋格局:依現況



━━━━━━━━━━━━━━



【坪數資料】

總坪數:20.54坪

主建物:16.55坪

附屬建物:3.99坪

土地持分:9.20坪

每坪單價:約43.1萬/坪



━━━━━━━━━━━━━━



【物件特色】

◎樹林低總價公寓,首購族可切入

◎第三樓層,公寓中段樓層接受度高

◎拍定後點交,使用權明確

◎法院初步調查無重大事故紀錄

◎總價885萬,低門檻產品





━━━━━━━━━━━━━━



【生活機能】

◎樹林在地生活圈成熟

◎周邊商店、小吃、日常採買方便

◎住宅密集區,自住需求穩定



━━━━━━━━━━━━━━



【交通機能】

◎東華街連接樹林主要道路

◎可快速銜接樹林車站、板橋生活圈



━━━━━━━━━━━━━━



📌法拍屋說明

法拍屋無法完整看室內,需透過:

.法院筆錄

.建物現況

.鄰里訪查

.區域行情

綜合評估



📌法拍貸款說明

法拍貸款分為代墊尾款與一般房貸兩類,

與104法拍網長期配合銀行亦可承作相關案件。



━━━━━━━━━━━━━━



📲LINE諮詢

https://line.me/ti/p/MJcPvp3nG8



104法拍網法拍服務團隊

雙人代拍|全台專業代標|銀行貸款評估



━━━━━━━━━━━━━━



【投標諮詢|雙人代標】

林小姐Anna|0986-678-928

黃先生Pitt|0984-508-898



代標找林小姐,安心又會標~Anna幫你買到家!

物件照片
樹林公寓法拍-0
樹林公寓法拍-0
樹林公寓法拍-1
樹林公寓法拍-1
樹林公寓法拍-2
樹林公寓法拍-2
樹林公寓法拍-3
樹林公寓法拍-3
樹林公寓法拍-4
樹林公寓法拍-4
贊助商廣告
桃園廠房,桃園廠房出租,桃園廠房出售
新北法拍屋,新北市法拍屋,新北法院法拍屋
物件留言
請注意,如果您詢問的內容與物件不相符合或是廣告,經過審核,系統將會直接刪除您的發問內容
等待圖示
檢舉不實
等待圖示
黃金曝光
本網站保留一切權利,非經正式書面同意,禁止轉貼節錄。