平鎮區新榮路338號2層樓

104法拍屋,新北法拍屋,台北法拍屋
591廠房,591桃園廠房,桃園廠房
桃園廠房,桃園廠房出租,桃園工業地
平鎮區新榮路338號2層樓
列印
  • 售1154萬
    售923萬
    1. 案號:114同89285
    2. 類型:法拍透天
    3. 總登記坪數:40.7坪
    4. 每坪單價:22.68萬/坪
    5. 地址:桃園市平鎮區新榮路338號2層樓
    1. (煩請告知聯絡人,您是在House-Info房屋網看到廣告,感恩幫忙)
    2. 0986-508-652
    1. 市話:
    2. 公司名稱:
    3. 公司地址:
    4. 個人網站:
    平鎮區新榮路338號2層樓-QR CODE 留言 檢舉 加LINE好友
物件介紹
詳細資料
最後更新
1小時內
銷售狀態
待標中
屋齡
46年
所在樓層
2層樓
電梯
未知
法拍件
本件是法拍屋
拍次
第三拍
開標日期
115/06/09
法拍件
坪數說明
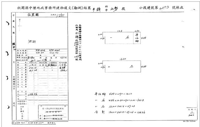
建物登記總坪數
40.70
主建物坪數
36.74
附屬建物坪數
3.96
增建坪數
9.23
土地登記總坪數
27.94
特色描述

▲拍賣公告:桃園法院
▲拍賣標的物:桃園市平鎮區新榮路338號2層樓
▲【謄本資料】:總坪數40.70坪主建坪36.74坪,附屬坪3.96坪,另增建坪9.23坪
▲【法院筆錄】:1‧本件標的於114年9月3日履勘及測量,債務人兒子在場稱不動產係債務人與家人居住使用。
鑑定報告記載堪估標的建物部分內牆及天懸板有壁癌及水漬,部分天花板水泥剝落,鋼筋外露。
2‧拍定後依現況點交。
▲【生活機能】:
▲【拍次說明】:
標售拍次(目前拍次底價):
第一拍底價:1443萬
第二拍底價:1154萬
第三拍底價:923萬
拍賣日期:115/06/09
▲台北∣新北∣桃園∣新竹
★Houseinfo:http://www.xn--ogt54mdnjqrqpix.tw/
▲【代標服務】
<過濾案件>追蹤拍賣日期...
<評估案件>投標全場陪同及標價最後建議...
<包辦交屋>與法院協商現住人交屋事項...
<代墊尾款>辦理銀行代墊及投標尾款手續...

※此案件為法拍屋無法看屋,實際狀況以法院筆錄為主。
詳細資訊了解請撥李小姐(02)8260-2416|0986-508652
財欣不動產管理顧份有限公司【統一編號】28306523
物件照片
桃園平鎮法拍透天-0
桃園平鎮法拍透天-0
桃園平鎮法拍透天-1
桃園平鎮法拍透天-1
桃園平鎮法拍透天-2
桃園平鎮法拍透天-2
桃園平鎮法拍透天-3
桃園平鎮法拍透天-3
贊助商廣告
大桃園廠房,大桃園工業地,大桃園工業地廠房
桃園廠房出租,桃園工業地,桃園廠房工業地
物件留言
請注意,如果您詢問的內容與物件不相符合或是廣告,經過審核,系統將會直接刪除您的發問內容
等待圖示
檢舉不實
等待圖示
黃金曝光
本網站保留一切權利,非經正式書面同意,禁止轉貼節錄。