中和區復興路文化中國近捷運景安站64快中和地政事務所
首頁
│
法拍屋導覽
│
法拍地導覽
│
房仲導覽
│
House-Info房屋網
│
889house.info
│
申請房仲網站
07-7963288
客服電話
首頁
台北
新北
基隆
桃園
新竹
苗栗
台中
彰化
南投
雲林
嘉義
台南
高雄
屏東
台東
宜蘭
花蓮
澎湖
金門
現在位置:
首頁
›
新北法拍屋
›
中和法拍屋
›
中和區復興路文化中國近捷運景安站64快中和地政事務所-新北市中和區復興路268號12樓-6
售
中和區復興路【文化中國】近捷運景安站、64快、中和地政事務所
列印
售543萬
案號:
114新120265 114/12/08(一)14:30
類型:
法拍大樓
總登記坪數:
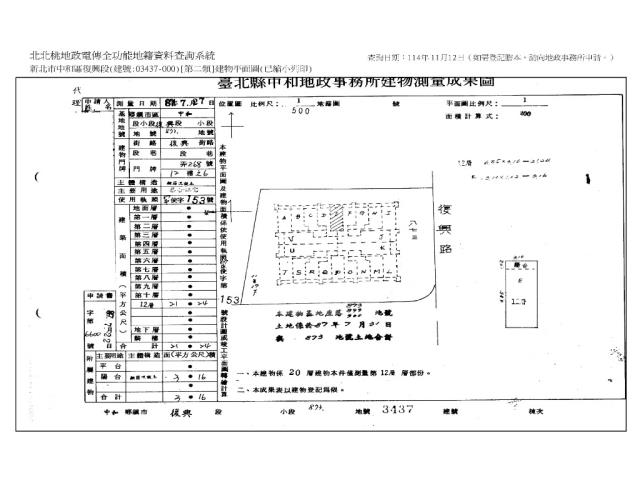
8.55坪
每坪單價:
63.51萬/坪
地址:
新北市中和區復興路268號12樓-6
小顏
(煩請告知聯絡人,您是在House-Info房屋網看到廣告,感恩幫忙)
0911-965-339
中和-中和區復興路文化中國近捷運景安站64快中和地政事務所
公司名稱:
鑫創資產管理有限公司
公司地址:
新北市新莊區中環路二段423號一樓
個人網站:
www.1314home.tw
留言
檢舉
物件介紹
詳細資料
最後更新
:
1天前
銷售狀態
:
待標中
社區/大樓
:
文化中國(如田建設)
屋齡
:
27年
車位
:
沒有車位
無障礙環境
:
有
所在樓層
:
12樓/共12樓
管委會
:
有
中庭
:
沒有
電梯
:
有
邊間
:
不是
法拍件
:
本件是法拍屋
拍次
:
第1拍 點交
開標日期
:
2025/12/08(一)14:30
法拍件
:
周邊環境
鄰近地標
:
近捷運景安站、中和地政事務所、復興小學、雙和醫院、64快、和平街黃昏市場
捷運站
:
景安
坪數說明
建物登記總坪數
:
8.55
主建物坪數
:
6.43
附屬建物坪數
:
0.96
公共設施坪數
:
1.16
土地登記總坪數
:
0.8
特色描述
【法院筆錄內容】
1‧本件拍賣標的建物部分,本院於114年8月26日至現場查封時無人應門,據債權人代理人稱現為債務人自住使用。
2‧本件拍賣標的建物部分,拍定後點交。如有第三人於查封前合法占有者,應於本件拍定前向本院提出合法占用權源之證明文件,第三人如陳述不實,應負使公務員登載不實及損害債權罪之刑責,經本院查明確涉有上述罪嫌,即移送檢察機關偵辦。
3‧本件拍賣標的之共有人有優先承買之權利,拍定後須通知全體共有人是否優先承買,如有主張優先承買時,則無息退還保證金,無人主張優先承買時,始得核發權利移轉證書,請應買人注意。應買人如為共有人時,他共有人即無優先承買權。
4‧本件拍賣標的4973建物部分,屬未辦保存登記建物,應買人需自行承擔該建物被拆除之風險,請應買人注意。
5‧本件標的物原所有權人或使用人如有積欠工程受益費及水電、瓦斯或管理費等費用,應由拍定人自行查明後與相關單位洽商解決。
6‧若有停止、撤回、撤銷、延緩強制執行之事由,而其事由確實發生於本案標的拍定日或拍定日前,縱已拍定,本院亦得撤銷拍定,無息返還已經繳交之款項,請應買人特別注意。
《分割共有物》
【保證金】
108.6萬
【拍賣履歴】
一拍2025/12/08底標價格543萬
二拍底標價格434.4萬
三拍底標價格347.5萬
四拍底標價格278萬
【焦點法拍履歴】
👩🏻⚖️從業二十年以上經驗|競競業業|正派經營
🎯投標準備⇥法拍流程說明|標單填寫|案件現場勘查有無特殊情事|成本評估分析
💰銀行貸款⇥法拍物件估價|投標人財力評估|銀行代墊款協助辦理|最高八成
🏡拍定得標⇥強制執行書狀、履勘陳報書狀往返|債務人搬遷協商|遺留物造冊查估
🎁委託代標⇥免費|委託代標未得標⇥免費
🏢鑫創資產管理有限公司
顏麗杏0911-965339營業員證號:(101)登字第212862號
連真甄0909-031993營業員證號:(101)登字第192002號
更多物件☞焦點法拍
經紀人李彥槿:109北市經證字第02110號
物件照片
新北中和法拍大樓-0
新北中和法拍大樓-1
新北中和法拍大樓-2
新北中和法拍大樓-3
新北中和法拍大樓-4
新北中和法拍大樓-5
新北中和法拍大樓-6
新北中和法拍大樓-7
新北中和法拍大樓-8
新北中和法拍大樓-9
新北中和法拍大樓-10
新北中和法拍大樓-11
物件地圖
中和區復興路文化中國近捷運景安站64快中和地政事務所
中和區復興路文化中國近捷運景安站64快中和地政事務所
到Google查看地圖
到Google查看街景
贊助商廣告
物件留言
請注意,如果您詢問的內容與物件不相符合或是廣告,經過審核,系統將會直接刪除您的發問內容
檢舉不實
黃金曝光
樹林
售1706萬
新北樹林學府路210號6樓
類型:大樓
坪數:77.44坪
格局:4房
樹林
售3000萬
新北樹林學勤路637號2樓
類型:大樓
坪數:64.02坪
三峽
售1536萬
新北三峽民生街1巷1-68號11樓
類型:大樓
坪數:47.47坪
格局:3房
新店
售3072萬
新北新店太平路16號6樓
類型:大樓
坪數:114.82坪
房仲推薦
本網站保留一切權利,非經正式書面同意,禁止轉貼節錄。
資料處理中,請稍後...
請注意:此案件已下架