三峽區透天法拍中山路透天店面三峽國小台北大學站108號

104法拍屋,新北法拍屋,台北法拍屋
透明房訊,台北104法拍,台北法拍屋
法拍屋,法拍屋代標,法拍屋出售
三峽 中山路透天店面 三峽國小 台北大學站
列印
  • 售5180萬
    1. 案號:115/04/22 一拍 部分點交
    2. 類型:法拍透天
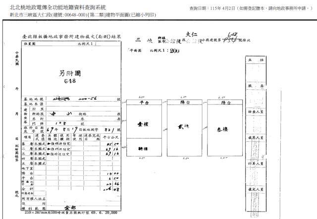
    3. 總登記坪數:115.18坪
    4. 每坪單價:44.97萬/坪
    5. 地址:新北市三峽區中山路108號
    1. (煩請告知聯絡人,您是在House-Info房屋網看到廣告,感恩幫忙)
    2. 0986-678-928
    1. 市話:
    2. 公司名稱:
    3. 公司地址:
    4. 個人網站:
    三峽區透天法拍中山路透天店面三峽國小台北大學站108號-QR CODE 留言 檢舉 加LINE好友
物件介紹
詳細資料
最後更新
18小時內
銷售狀態
待標中
屋齡
46年
座向
朝南
電梯
沒有
是否凶宅
不是
法拍件
本件是法拍屋
拍次
1
開標日期
4/22
法拍件
坪數說明
建物登記總坪數
115.18
主建物坪數
62.76
附屬建物坪數
5.9
公共設施坪數
0
停車位坪數
0
增建坪數
46.52
土地登記總坪數
37.61
特色描述

新北市三峽區法拍屋|三峽透天法拍|中山路|透天店面三層樓

━━━━━━━━━━━━━━

三峽法拍屋

三峽透天法拍

中山路法拍

三峽透天店面法拍屋

新北市三峽區中山路108號

━━━━━━━━━━━━━━



【案名】

三峽中山路|透天店面|三層樓大坪數商住



【拍賣資訊】

案號:一60甲

拍次:第一拍

開標日期:115/04/22

開標時間:—

拍賣底價:5,180萬

保證金:1,036萬

執行法院:—

執行狀態:待標中

點交情形:部分點交



━━━━━━━━━━━━━━



【物件基本資料】

房屋類型:法拍透天/店面

社區名稱:—

建物結構:RC造

建物所在樓層:整棟3樓

屋齡:約46年

房屋格局:—



━━━━━━━━━━━━━━



【坪數資料】

總坪數:115.18坪

主建物:62.76坪

附屬建物:5.9坪

增建坪數:46.52坪

土地持分:37.61坪

每坪單價:約44.97萬/坪



━━━━━━━━━━━━━━



【物件特色】

◎三峽中山路核心商業地段

◎透天店面產品,商住兩用

◎大坪數115坪,空間運用彈性高

◎增建空間約46坪,使用效益提升

◎第一拍釋出,具長期投資價值



━━━━━━━━━━━━━━



【交通機能】

◎中山路串聯三峽主要幹道

◎往北大特區、鶯歌、土城便利

◎公車路網成熟,通勤順暢

◎未來台北大學站發展可期



━━━━━━━━━━━━━━



【生活機能】

◎三峽市區商圈成熟

◎市場、餐飲、商業機能密集

◎鄰近三峽國小

◎人潮穩定,店面效益佳



━━━━━━━━━━━━━━



【法院筆錄摘要】

●部分點交●



※實際占用與點交範圍需依公告查明



━━━━━━━━━━━━━━



【產權重點】

◎部分點交,需確認使用範圍

◎透天店面,具商業價值

◎增建未登記,須留意風險

◎他項權利拍定後塗銷



━━━━━━━━━━━━━━



【拍賣履歷】

第一拍|04/22|底價5,180萬



━━━━━━━━━━━━━━



【貸款說明】

法拍貸款分為代墊尾款與一般房貸兩類,

與104法拍網長期配合的銀行也可承作不點交案件。



━━━━━━━━━━━━━━



📲LINE諮詢

https://line.me/ti/p/MJcPvp3nG8



104法拍網法拍服務團隊

雙人代拍|全台專業代標|銀行貸款評估



━━━━━━━━━━━━━━



【投標諮詢|雙人代標】

林小姐Anna|0986-678-928

黃先生Pitt|0984-508-898



代標找林小姐,安心又會標~Anna幫你買到家!

物件照片
三峽透天法拍-0
三峽透天法拍-0
三峽透天法拍-1
三峽透天法拍-1
三峽透天法拍-2
三峽透天法拍-2
贊助商廣告
桃園廠房,桃園廠房出租,桃園廠房出售
新北法拍屋,新北市法拍屋,新北法院法拍屋
物件留言
請注意,如果您詢問的內容與物件不相符合或是廣告,經過審核,系統將會直接刪除您的發問內容
等待圖示
檢舉不實
等待圖示
黃金曝光
本網站保留一切權利,非經正式書面同意,禁止轉貼節錄。